Jump to content

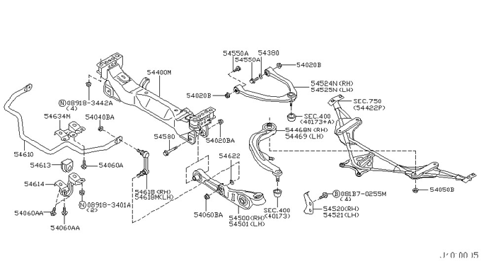
nissan 350z front suspension member And link 401a001


leofin

From the album:

Parts

· 5 images
  • 5 images
  • 0 comments

×
×
  • Create New...